English

World Class Process, Packaging & Control Engineers For The Aerosol, Coating, Sealant & Pharmaceutical Industries

   
Aerosols
Metered Dose Inhalers
Processing Equipment
Process Evaluation
Mixing Heavy Materials
Mixers & Dispersers
Filling Heavy Materials
Jenag Strainers

Machinery for Processing Equipment - Strainers

Jenag strainers have been designed to give a combined straining and pumping system in one compact and mobile unit. They provide a totally enclosed self cleaning system for the removal of oversized particles from a wide range of liquid products. They can be used as individual units for batch production or built into a production system for continuous, automatic operation.

 

The unique and highly effective continuous self-cleaning system assures a high throughput and consistent quality at extremely low operating cost. It ensures that rapid colour or product changes can be made and give minimum product loss at change over.

 

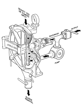
Operating Principle

Each machine is a complete, mobile, purpose-built, straining unit requiring only connection of its fluid lines and to a power source.

 

Primarily the unit consists of a filter body which houses two, vertical, perforated strainer plates. Between these a monofilament strainer mesh is sandwiched. The liquid to be strained is introduced to the strainer body either by gravity feed from an overhead tank or by suction pump from a ground level vat. Once introduced, the material is sucked through the mesh by an output pump. A small quantity of the cleaned output is returned to the rear of the body to an intense and unique self-cleaning or back-flushing action which ensures the mesh remains permanently clear and free from blockage. An output valve simply provides an infinitely variable throughput as desired, and a sludge valve enables the removal of unwanted contaminants at periodic intervals depending upon the liquid being treated.

 

When the JENAG strainer is fed by a pump from a ground-level vessel, a bypass is provided from the input side of the unit back to the vat. This allows the output valve to be closed, in this or the gravity feed mode, without the need to switch off the strainer itself.

The units are simple to use requiring only one operator for batch applications with little, if any, supervision when under automatic control. The strainer can also be supplied to pump to distant point.

 

The range of strainers can provide throughputs from 0-12000 litres per hour from four basic frame sizes which will be selected to suit a customer's particular requirements. Within each frame size several options are available to suit varying delivery, discharge and product needs. These can include different pump types and sizes, whether or not an input pump is to be fitted and a variety of materials of construction. In all cases an output pump is standard and the output can be pumped to a remote point if required.

 

The design can accommodate products of up to 200 poise as well as normal or shear sensitive products. A totally enclosed system enables materials with highly volatile elements to be handled without difficulty and enables the units to be shut down when full of product without any subsequent problems.

 

The largest strainers are able to provide sufficient output for even the very largest of automatic filling line

 

0600 Series

This unit has been designed to handle small batches of more specialised products where loss of product is important. The unit can be supplied for gravity or suction feeding with a rotary gear or diaphragm pumping system. In the latter configuration the unit is powered by an independent compressed air supply. Nominal throughput - 800 LPH.

 

1200 Series

A compact highly versatile unit for small/medium size batches or for the continuous production of the more specialised products. The unit is supplied as standard for suction and/or gravity feed and can be fitted with gear type or with diaphragm pumps. In the latter condition the unit is powered by an independent compressed air supply. Nominal throughput - 2000 LPH.

 

1800 Series

The standard production unit is suitable for medium/large production for a wide variety of materials and applications. This unit is designed to be fitted with gear, helical or diaphragm pumps. The unit may be supplied in a variety of materials and for suction/gravity feeding or gravity feed alone. Nominal throughput - 6000 LPH.

 

3000 Series

A high output unit intended for large batch production. The ideal unit for the continuous production of a wide range of standard products. This strainer can be designed to meet specific requirements and can be fitted with a range of pumps to allow a wide variation of applications. The unit is supplied as a gravity feed unit as standard. Nominal throughput - 12000 LPH.

 

Combination Units

Where ultra fine filtration is required the JENAG can be supplied fitted with a filter bag or cartridge unit at the outlet. This arrangement greatly reduces consumption of cartridges or bags.


Strainer Specifications

 

Materials of Construction

Standard supply is with the strainer body in aluminium but hard-anodised aluminium, gun-metal or stainless steel strainer bodies are available

 

Pumps

These may be rotary, helical or double diaphragm to suit the product and application

 

Feed System

By gravity, when the unit will be fitted with an output pump only or suitable for gravity or suction feeding when an input pump will be fitted as an integral unit

 

Electrical Enclosure

Normally build to Ex standards as required. Alternatives are available to meet other requirements